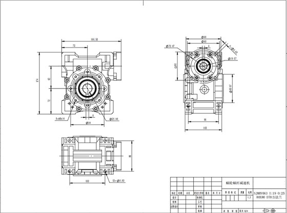
SJMRV063蝸輪蝸桿減速機也可以叫作蝸輪減速機,因其自帶自鎖的性能,得到很多設備廠家的偏愛,艾思捷專注蝸輪蝸桿減速機生產供應,功率0.06KW~11KW,數比5~100均可做,今日小編分享的是SJMRV063蝸輪蝸桿減速機尺寸圖如下:

1、 SJMRV063蝸輪蝸桿減速機采用的優質鋁合金鑄造箱體,可以適應全方位的安裝配置;
2、 速比范圍大,均可按照設備要求來選定;
3、精密磨削加工的硬齒面傳動,效率高,輸出扭矩大;
4、低噪音,能夠平穩的運行;
5、模快化的組合減速機的傳動比拓展至:i=120~5000
艾思捷我們有專業的技術設計團隊,可以從你的設備要求出發,提供全套的技術解決方案,生產工廠在浙江德清,歡迎進行廠區考察,也歡迎大家去進行技術交流。有關SJMRV063蝸輪蝸桿減速機的話可以咨詢我司技術:電話:盛經理 18116258006. 尹經理 13262846677。


